الخصائص الكهربائية:
معترف به من قبل UL (نسبة غير معلومة):
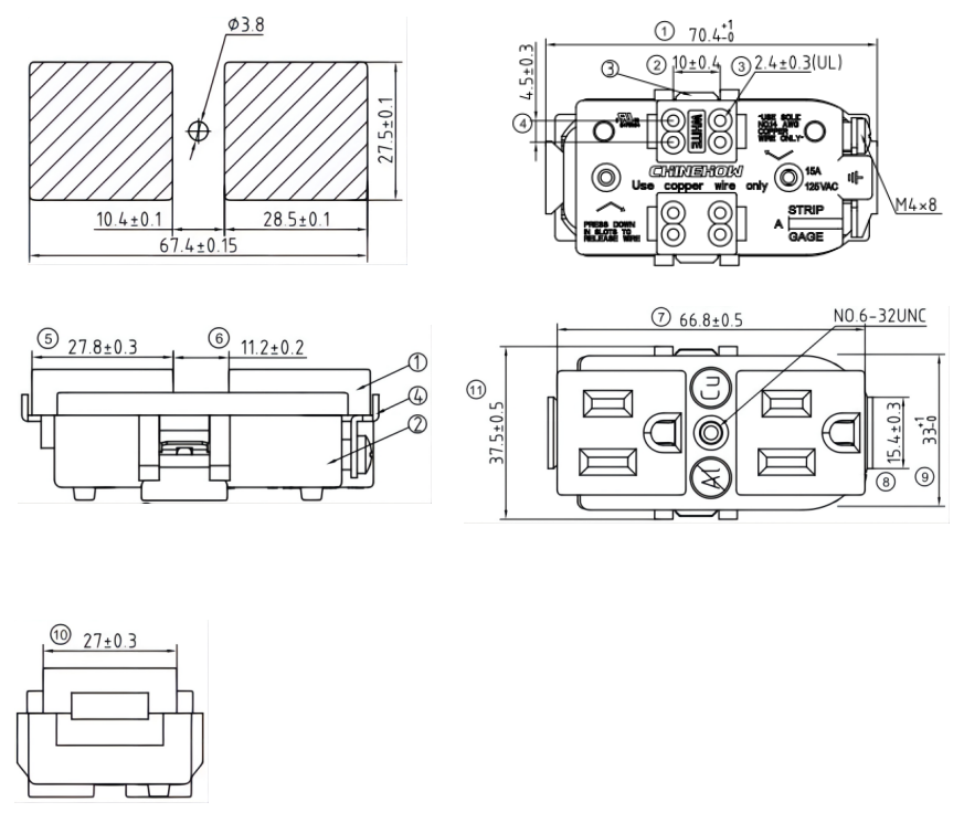
التصنيف الحالي: 15 أ

الخصائص الكهربائية:
معترف به من قبل UL (نسبة غير معلومة):
التصنيف الحالي: 15 أ

رقم 127 Nixiang North Rd ،
منطقة الكتلة الصناعية Wenzhou Oujiangkou ، مقاطعة Zhejiang 325000 ، الصين.
+ 86-577-86798882
sales@chinehow.com